Hydrotechnik vibration sensor Introduction:
 |
Vibration sensor |
| Hydrotechnik in china |
| Download |
Hydrotechnik vibration sensor technical data:
| Measuring principle |
capacitive acceleration sensor |
| Output signal |
frequency (rectangular signal) |
| Signal height |
Ub -2 V |
| Frequency range |
1 ... 100 Hz |
| Electrical measuring connector |
5 pole device connector, M16 x 0.75 |
| Mechanical connection |
magnetic foot |
| Protection type (EN 60529 / IEC 529) |
IP 66 (sensor element) |
| Material casing |
plastic, resistant against petrol, oil, salt and certain chemicals (listing on request) |
| Signal type |
three wires |
| Supply voltage Ub |
8.5 ... 30 VDC |
| Current consumption |
< 15 mA |
| Error limit |
< ± 2 % |
| Resolution |
< 1 mg |
| Non-linearity |
< ± 2 % of fi nal value |
| Hysterese |
cannot be measured |
| Environmental temperature |
-20 ... +85 °C |
| Storage temperature |
-20 ... +85 °C |
| EMC test |
on request |
| Shock stability |
> 1,000 g |
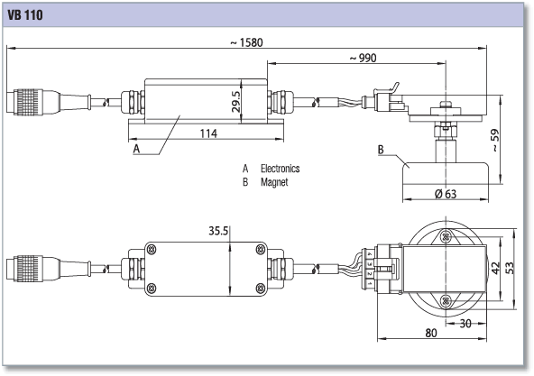
Hydrotechnik Vibration sensor Electrical connector
| Pin assignment |
Frequency |
 |
Pin 1 = signal + |
| Pin 2 = – Ub / signal – GND |
| Pin 3 = + Ub |
| Pin 4 = free |
| Pin 5 = free |
Hydrotechnik Vibration sensor VB110 order number
| Measuring range |
Weight |
Order number |
| g |
g |
|
| ± 50 |
547 |
3183-71-01.00 |